
Descriere detaliată a produsului
| Avantaj: | Viteza mare | Viteza de etichetare: | 60-200buc / min |
|---|---|---|---|
| Funcţie: | Etichetare autocolantă | Material: | Oțel inoxidabil |
| Tipul sticlei: | Borcan rotund pentru etichetarea automată a sticlei | Cerere: | Pentru toate tipurile de containere rotunde |
| Plc Brand: | MITSUBISHI (Japonia) | Motor de etichetare servo: | DELTA (Taiwan) |
mașină de etichetare a vinului roșu mașină de etichetare a sticlei de vin, sistem de control PLC mașină de etichetare marca MITSUBISHI
Caracteristici:
1. Funcționare: sistemul de control PLC face mașina de etichetare ușor de operat
2. Material: Corpul principal al mașinii de etichetare este fabricat din oțel inoxidabil SUS304
3. Configurare: Mașinile noastre de etichetare adoptă piese bine cunoscute ale mărcii japoneze, germane, americane, coreene sau Taiwan
4. Flexibilitate: Clientul poate alege să adauge imprimantă și mașină de cod; poate alege sau nu să se conecteze cu convertorul.
Parametri tehnici:
| Nume | Sticlă automată de vin rotundă pentru mașină de etichetare a sticlelor rotunde cu manșon de mare viteză |
| Viteza de etichetare | 60-350buc / min |
| Înălțimea obiectului | 30-350mm |
| Grosimea obiectului | 20-120mm |
| Înălțimea etichetei | 5-180mm |
| Lungimea etichetei | 25-300mm |
| Diametrul interior al rolei de etichetă | 76mm |
| Diametrul exterior al rolei de etichetă | 420mm |
| Precizia etichetării | ± 1mm |
| Alimentare electrică | 220V 50 / 60HZ 3,5KW |
| Consumul de gaz al imprimantei | 5 kg / m2 (dacă adăugați o mașină de codificare) |
| Dimensiunea mașinii de etichetat | 2800 (L) × 1650 (W) × 1500 (H) mm |
| Greutatea mașinii de etichetare | 180 kg |
Configurare
| Nu. | Parte | marca | cantitate |
| 1 | PLC | MITSUBISHI (Japonia) | 1 |
| 2 | Convertor principal | DANFOSS (Danemarca) | 1 |
| 4 | HMI | WEINVIEW (Taiwan) | 1 |
| 5 | Motor de etichetare servo | DELTA (Taiwan) | 1 |
| 6 | Driver de etichetare servomotor | DELTA (Taiwan) | 1 |
| 7 | Motor transportor | HY (Taiwan) | 1 |
| 8 | Cutie de viteze motor transportor | HY (Taiwan) | 1 |
| 9 | Motor de sticlă divizant | GPG (Taiwan) | 1 |
| 10 | Cutie de viteze motor sticlă divizantă | GPG (Taiwan) | 1 |
| 11 | Butelie de separare a regulatorului turației motorului | GPG (Taiwan) | 1 |
| 12 | Spoke motor | GPG (Taiwan) | 1 |
| 13 | Cutie de viteze cu motor cu spițe | GPG (Taiwan) | 1 |
| 14 | obiectul detectează ochiul magic | OMRON (Japonia) | 1 |
| 15 | fibra optica | OMRON (Japonia) | 1 |
Detaliile mașinii:

32 piese principale ale mașinii de etichetare

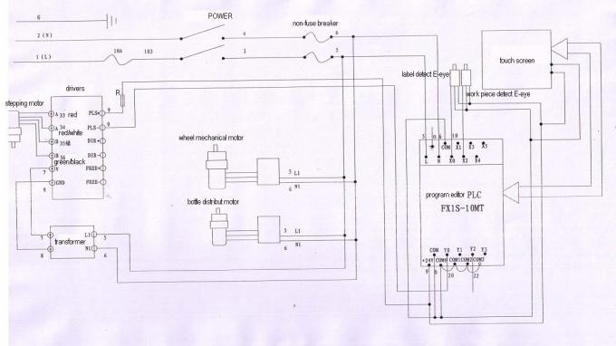
Schema circuitului

FAQ:
1 etichetă primește bule
Motive:
① scoaterea plăcii nu este bună / nu este plană;
② placa de plug nu este bună / nu este plată;
③ ieșirea de etichetare este prea rapidă sau viteza liniei de asamblare este prea mică;
④ eticheta este trasă prea slăbită
Soluții:
① schimbați o scândură plată;
② schimbați o placă de plug plat;
③ încetiniți viteza de ieșire a etichetării sau creșteți viteza liniei de asamblare;
Impactați corect centura de etichete.
Etichetă: mașină de etichetare industrială, mașină de etichetat sticle de sticlă









